
This device called the magnetromapparata was invented in 1933. It needed no outside power sources to function.
Since an official interest was noted from the heads of the German navy at the time who felt an investigation was necessary and an official report was produced.
Experts examined the device and could find no fraud. It was judged Coler was an honest experimenter but no expert opinion was forth coming to how the unit operated.
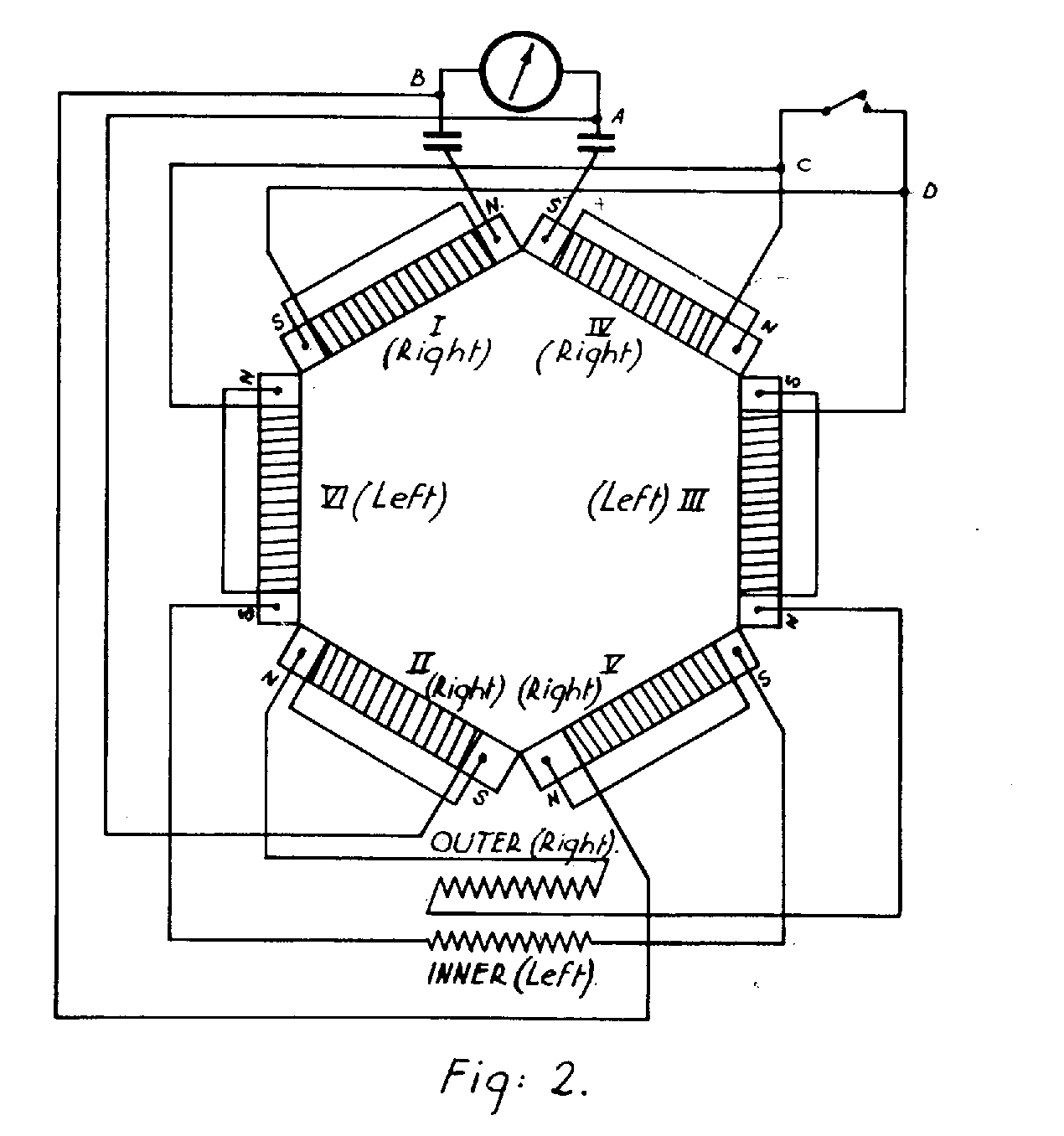
The device consisted of permanent magnets of steel ,copper coils and capacitors in a special holding arrangement.
The device incorporated six steel magnets in a six sided arrangement where the magnets were connected in series with the coils of about .33 ohm resistance to form part of the circuit. That is a conducting path was made through the magnet core.
The design also incorporated two small capacitors, a switch and a pair of sliding solenoid coils , one fitting inside the other. as shown in illustration.
To allow the device to power up the following was done. The switch was left open. The magnet and coil combination were moved slightly apart using a mechanical arrangement of cranks and sliders that allowed each magno coil combination to be altered equally, There was a wait of several minutes between changes. The sliding coils were also set to different positions relative to one another.
These changes were made often until a precise point was reach as indicated on the voltmeter. The switch was then closed. There were still more changes more slowly this time until the best result was achieved.
Several tests gave the 450 millivolt for period of some hours other times 60 millivolts was all they could get.
The best voltage obtained was about 12 volts and remained there indefinitely until the unit was shut down.
An experimenters attempt at reproducing the device as described above.
Their results are unknown at the moment
I believe that this device has some similarities to the Hendershot design.
Coler was also said to have created a device called the stromerzeuger.
This consisted of a arrangement of steel magnets, flat coils and copper plates on open arms mounted in a parallel combination with one another and fed power from a tranformer from the centre..
The output is said to have lit a blank of lights of which the output exceeded the input power level.
He was said to have built a 10 watt unit in 1925 and a 70 watt unit in 1933.
Other units followed until the end of the war where work seems to have come to halt.
The Official British Secret Service Report on Hans Colers Device
details of an experimenters attempt to reproduce the coler device